Neohodnoceno
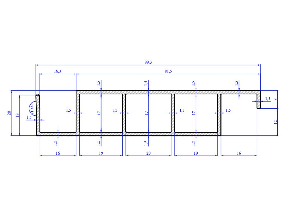
Hliníková lamela Antracit - RAL 7016
Hliníková lamela v délce 1000-2500mm
| Kategorie: | Hliníkové lamely pro zastínění pergoly |
|---|---|
| EAN: | Zvolte variantu |
